哲成阀门产品类别图片

G4070气动两段式装车球阀

G4070气动两段式切断球阀 气动两段式切断球阀-温州哲成自控阀门
概述

   G4070气动两段式切断球阀是一种能实现两步开或两步关动作的切断阀,是一种较为先进的气动执行器。它由球阀、活塞执行机构、电磁阀、单向阀、快速排气阀等部件组成。由于执行机构内采用了快速排气及节流功能。使两段球阀具有非常优良的开关特性。使开阀、关阀速度减缓,使管道中流体变化平稳,不会因冲击产生水锤现象使易燃流体发生爆炸,亦不会因冲击而损坏系统中流量计及其他仪表。因而适用于石油、化工、轻工、国防等行业的流量控制系统。特别适用于油品贮运系统。

阀  体
型  式    直通两分式全腔型铸造球型阀
公称通径    DN 15-300mm
公称压力    PN16、25、40、64、ANSI 150、300、JIS 10K、20K
连接型式
法兰连接  RF、凹凸式
法兰标准  J B/T79.1-94、ANSI B16.5-1981、JIS B2201-1984
材  料    WCB、ZG1Cr18Ni9Ti、(CF8、CF8M、CF3、CF3M) 、(SCPH2、SCS13A、ZGOCr18Ni12Mo2Ti、 Ti、SCS14A)
       注:可根据用户要求提供其它材料
上 阀 盖    标准型:与阀体一体铸造
工作温度    -20-+200℃    -20-300℃(对位聚苯阀座)
填  料    聚四氟乙烯、石墨

执行机构
横装式气动活塞式执行机构
控制功能:A、两段开两段开 
           B、一段开两段关,开关速度可调,阀开度可调,自动一手动
      C、一段开一段关
供气压力    0.4-0.7MPa
气源接口    1/4NPT

性  能
泄 漏 量 完全切断无泄漏
阀内组件
阀芯形式    球型阀芯
流量特性    快开特性
阀  座    聚四氟乙烯、增强聚四氟乙烯、对位聚苯
材  料    2Cr13、1Cr18Ni9Ti、0Cr18Ni12Mo2Ti、Ti、 (CF8, CF8M, CF3, CF3M)
阀芯转角    90°

附  件(根据要求配置) :
电磁阀、空气过滤减压阀、手轮机构、阀位开关、阀位传送器、气动加速器、保位阀、快速排气阀、单向节流阀、空气过滤减压器等。

额定流量系数Kv、额定行程
公称通径DN(mm) 15 20 25 32 40 50 65 80 100 125 150 200 250 300
额定流量系数Kv 21 38 72 112 130 235 384 512 940 1452 2222 3589 5130 7360
额定行程 90°

阀动作示意图
两段式切断阀-温州哲成自控阀门有限公司

A:两段开两段关切断球阀示意图
(1)(2)一电磁阀 (3)(4)一气指示灯
(5)(6)一行程开关
(7)一快速排气阀KPF-G6)
(8)(9)一单向节流阀(QLJ-323-6)
阀门 P1 P2 P3 信号
一段开 1 0 1 启动1
两段开 0 1 1 启动2
一段关 1 0 1 A
两段关 1 0 0 B
两段式切断阀-温州哲成自控阀门

B:一段开两段关切断球阀示意图
(1 )(2)一电磁阀
(3)(4)一气指示灯
(5)(6)一行程开关
(7)一快速排气阀(KPF-G6)
(8)(9)一单向节流阀(QLJ-323-6)
阀门 P1 P2 P3 信号
一段开 1 0 1 启动
一段关 1 0 1 A
两段关 1 0 0 B
气动两段式切断阀-温州哲成自控阀门

C:一段开一段关切断球阀示意图
(1 )(2)一电磁阀
(3)(4)一气指示灯
(5)(6)一行程开关(KPF-G6)
阀门 P1 P2 信号
0 1 启动
1 0
气动两段式切断阀-温州哲成自控阀门有限公司

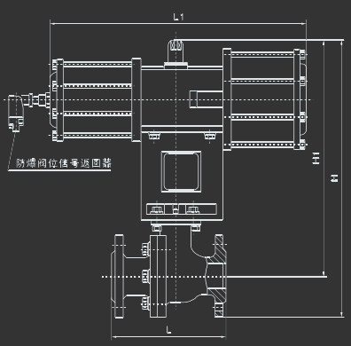
主要外形尺寸及重量     单位:mm
DN 25 32 40 50 65 80 100 125 150 200 250 300
L PN16 150 165 180 200 220 250 280 320 360 360 600 700
PN64 240 240 250 280 300 310 370 395 500 600 700 800
L1 350 350 470 470 470 550 550 550 820 820 820 1020
H PN16 340 350 395 415 475 495 515 550 640 695 920 975
PN64 360 370 405 480 500 545 575 630 670 780 970 1050
H1 PN16 290 290 320 350 385 395 405 425 500 525 720 745
PN64 290 295 325 390 400 440 450 480 555 580 740 785
W(Kg) PN16 19 19 22 24 28 33 69 83 104 125 205 340
PN64 22 22 24 26 32 42 82 101 127 165 250 390

订货须知
1、产品型号、2、公称通径DN、额定流量系数KV、3、阀前、后压力、4、电源电压 5、流体介质种类、6、介质工作温度范围、
     7、有关材质要求、8、是否带附件、说明型号、9、其它特殊要求
产品关键字:气动两段式切断球阀、气动装车球阀、气动两段式O型切断球阀、气动O型切断阀、气动两段式切断阀 、O型切断球阀系列
Copyright 2006-2017温州哲成自控阀门有限公司 版权所有 转载本站图文敬请注明来源(哲成阀门 www.zczkvalve.com) 违者必究 本站常驻律师:李成新

温州哲成自控是国内专业的调节阀(气动/电动)、控制阀、自力式调节阀、气动截止阀、波纹管调节阀、气动切断阀专业厂家,欢迎新老客户来电咨询!

销售热线:0577-67980928 传真:0577-67980938 手机:18968997360 13736975604 邮箱:zczkvalve@163.com

厂址:浙江省温州市永嘉县五星工业区 国家工业和信息化部 备案/许可证编号为:浙ICP备14005643号 网站导航
主营产品及配件:调节阀 自力式调节阀 控制阀 CV3000调节阀 电动调节阀 精小型调节阀 气动调节阀 执行机构 气动切断阀
友情链接: 中国泵阀第一网 调节阀
哲成阀门-360绿色网站认证